Voor mij altijd een boeiend deel van de geschiedenis van de Tweede Wereldoorlog. Zonder dat iemand dat ooit in de gaten had werkten er duizenden mensen in het geheim in een afgelegen villa met bijgebouwen, die de bijnaam 'barak' kregen aan een ultra geheim project: het ontsleutelen van de Enigmacode. Tegenwoordig sturen we achteloos berichten naar anderen die door de computer automatisch worden versleuteld, zodat buitenstaanders de onderlinge communicatie niet kunnen lezen. Maar tijdens de Tweede Wereld, toen er nog geen computers waren, verliep de onderlinge communicatie tussen de legeronderdelen van de Wehrmacht met behulp van Enigma apparaten. Een soort veredelde typemachine, maar die zodanig kon worden ingesteld dat letters van woorden werden vervangen door andere letters. Er vormde zich dan onbegrijpelijke woorden die door de ontvanger met ook een enigma apparaat weer werden teruggezet naar de onspronkelijke woorden en zo kon de boodschap worden gelezen. 

In Engeland waren er echter hele slimme mensen, waaronder ook veel slimme vrouwen die dienden bij de WRNS. Dat was een afkorting voor Women's Royal Naval Service (1918-1993), een onderdeel van de Britse marine voor de voor vrouwen gereserveerde eenheid van de strijdkrachten. De naam werd afgekort als WRNS. De geüniformeerde vrouwen werden "Wrens" of "Jennies" (ook wel "Jenny Wrens" genoemd). Er was echter ook één buitengewoon begaafde wiskundige, genaamd Alan Turen, die zijn talent inzette om de enigmacode te ontcijferen. Hij bouwde hiertoe in feite de eerste computer. Rondom hem ontstond een groot team van mensen die zich dag en nacht bezig hielden met het ontsleutelen van de enigmacode, waardoor de geallieerden er achter kwamen wat de vijand van plan was. Dankzij Alan Turen werd de oorlog met zeker twee jaar verkort. Met Alan Turen liep het uiteindelijk triest af. Vanwege zijn sexuele geaardheid (hij was homo) dat in die tijd in Engeland absoluut verboden was, werd hij zwaar onder druk gezet en moest een hormoonpreparaat gebruiken om er van af te komen. In juni 1954 maakte hij een einde aan zijn leven. Het gebeuren op Bletchley Park was ook na de oorlog nog strikt geheim. Pas in de jaren '70 werd bekend welke ongekende prestatie er was geleverd door de mensen op Bletchley Park. Het waren dus ook veel vrouwen die hun bijdrage leverden. Langzamerhand durfden de voormalige Bletchley women te vertellen over het werk dat ze deden. Het was hun aanvankelijk streng verboden hierover ook maar iets te vertellen. De film 'Imitation Game' over het leven en het werk van Alan Turen  werd een groot succes. Queen Elizabeth rehabiliteerde postuum Alan Turen in 2013.

Tijdens de Tweede Wereldoorlog werkten duizenden vrouwen in Bletchley Park, het geheime centrum voor Britse codebrekers. Veel van hen waren leden van de Women’s Royal Naval Service (WRNS), ook wel bekend als de Wrens.

🔍 Wat deden de Wrens?

  • Ze bedienden complexe codeermachines zoals de Colossus en de Bombe, ontworpen om Duitse Enigma-berichten te ontcijferen.
  • Werkten in ploegendiensten van acht uur, dag en nacht, in vaak benauwde en warme ruimtes.
  • Sommige Wrens waren betrokken bij het intercepten van vijandelijke communicatie via het zogeheten Y Service-netwerk.
  • Ze moesten absolute geheimhouding bewaren — zelfs tegenover familie en vrienden.

💡 Waarom was hun werk belangrijk?

  • De informatie die ze hielpen ontcijferen was cruciaal voor militaire operaties, zoals het lokaliseren van de Bismarck of het plannen van de Normandische landing.
  • Volgens historici verkortte het werk van Bletchley Park de oorlog met ongeveer twee jaar.

🎖️ Erkenning Pas decennia later mochten de Wrens spreken over hun werk. Hun bijdrage is inmiddels erkend als essentieel voor de geallieerde overwinning.

Bletchley Park is de naam van een landhuis in Bletchley in Zuid-Engeland, tegenwoordig onderdeel van de stad Milton Keynes, dat een zeer belangrijke rol speelde in de Tweede Wereldoorlog. Het was in dit landhuis dat de Government Code and Cipher School (GC&CS) was gehuisvest, de codebrekers van de Britse inlichtingendienst.

GC&CS betrok in 1939 Bletchley Park. Op het terrein werd een radio-ontvangststation gevestigd dat de naam "Station X" kreeg. De mysterieuze "X" is afkomstig van het Romeinse cijfer X. Het was namelijk het tiende ontvangststation.

Onder leiding van Kolonel John Tiltman en Dilly Knox slaagden verschillende briljante wiskundigen en codebrekers zoals Alan Turing, Gordon Welchman, en een bont allegaartje van allerlei academici er tijdens de Tweede Wereldoorlog in veel van het gecodeerde Duitse berichtenverkeer te ontcijferen.

Op het hoogtepunt van hun oorlogsactiviteiten telde het park meer dan 7000 personeelsleden. Dit waren zowel codebrekers als militair en burgerpersoneel dat hielp bij ontcijfering van de immense stroom gecodeerde berichten. Om al dit personeel te kunnen huisvesten werden vele barakken bijgebouwd in de omgeving van het landhuis. De verschillende afdelingen van GC&CS werden "Hutten" genoemd. Zo was "Hut Six" verantwoordelijk voor het breken van het berichtenverkeer van de Enigma coderingsmachine. De informatie, verkregen door het ontcijferen van berichten kreeg de codenaam Ultra en speelde een zeer belangrijke rol in het verloop van de Tweede Wereldoorlog.

Na de oorlog verhuisde de GC&CS, werden alle documenten en machines vernietigd, en raakte het landhuis in verval. Enkele van de hoofdrolspelers verhuisden mee, maar het grootste deel van het personeel werd ontslagen. Jarenlang moesten hun werk en formidabele prestaties geheim blijven en konden zij niet genieten van de verdiende roem en erkenning. Pas in de jaren '70 werden de oorlogsinspanningen van Bletchley Park publiek gemaakt en konden de vele trotse medewerkers eindelijk met hun verhaal naar buiten komen.

Sinds enkele jaren is er een vereniging die het landhuis restaureerde en het is nu een museum met zeldzame stukken zoals verschillende Enigma machines en de Colossus, de eerste programmeerbare elektronische computer die gebruikt werd voor het breken van berichten, gecodeerd met de Lorenz-machine.

De bombe is een elektromechanisch gereedschap gebruikt door Britse cryptologen tijdens de Tweede Wereldoorlog als hulpmiddel voor het breken van de Enigma-codeermachines van de Duitsers. De bombe werd ontworpen door Alan Turing met belangrijke aanvullingen van Gordon Welchman. Het ontwerp is gebaseerd op de door de Pools cryptoloog Marian Rejewski omstreeks oktober 1938 ontwikkelde bomba kryptologiczna (cryptologische bom) of kortweg bomba. De ontwerpen voor deze machine werden door het Poolse Biuro Szyfrów op de Pools-Frans-Britse conferentie van 24 juli tot 27 juli 1939 in Pyry, ten zuiden van Warschau overgedragen aan de geallieerden.

De standaard Enigma-machine gebruikte drie rotoren welke elk op 26 verschillende posities gezet konden worden. De bombe probeerde elk van deze posities en voerde daarop een test uit. Vrijwel alle 17.576 (26x26x26) posities konden door de test uitgeprobeerd worden waarna de overgebleven mogelijke oplossingen met de hand onderzocht werden. Voor het gebruik van de bombe had de cryptoanalist echter wel een zogenaamde crib nodig, een stukje versleutelde tekst waarvan het klaarschrift geraden kon worden. 
 De eerste bombe werd in maart 1940 op Bletchley Park geïnstalleerd. Vanaf 1943 werden ook in de Verenigde Staten bombes geïnstalleerd. De laatste alhier geassembleerde wordt heden ten dage tentoongesteld in het National Cryptologic Museum. 
 De Britse bombes werden meestal bediend door de dames van het Women's Royal Naval Service (WR(e)NS). De Amerikaanse meestal door de dames van het Women's Army Corps (WACs) en het Women Accepted for Volunteer Emergency Service (WAVES).

Ingekleurde foto's van de medewerkers op Bletchley Park die in het diepste geheim de vijandelijke codes ontcijferden en daarmee een belangrijke bijdrage leverden aan het winnen van de oorlog. Het is aan hun inzet en gebruik van talenten te danken dat de geallieerden uiteindelijk overwicht kregen in de Slag om de Atlantische Oceaan, waar de Duitse U-boten vele Liberty schepen met voorraden en materieel tot zinken brachten en aan de diverse fronten in Noord-Afrika, Rusland en sinds D-Day ook in Normandië en tijdens de bevrijding van Europa. 

De Schlüsselmaschine E, ook wel bekend als de Cypher Machine E, is vooral bekend als de Enigma. De Enigma is zowel een naam als een soortnaam van elektromechanische codeermachines van het type rotormachines. Hiermee kunnen berichten gecodeerd worden in andere lettercombinaties dan het origineel, die vervolgens weer terugvertaald kunnen worden. Enigma is Grieks voor raadsel.

Het Enigma-toestel werd in de jaren twintig op de markt gebracht door Chiffriermaschinen AG en in gebruik genomen door verscheidene Europese bedrijven, diplomatieke diensten en legers, maar werd vooral bekend als codeermachine van de Wehrmacht vóór en tijdens de Tweede Wereldoorlog in nazi-Duitsland. Het principe is bedacht door de Nederlander Hugo Alexander Koch.

Nadat eerst de Poolse en nadien, tijdens de Tweede Wereldoorlog, de Britse inlichtingendienst erin slaagde de Enigmacodes te breken, bleek het toestel een goudmijn van informatie over de Duitse oorlogsmachine. De informatie, verkregen door ontcijfering van de geheime Duitse berichten, kreeg de codenaam "Ultra" en speelde een uiterst belangrijke rol in het verloop van de Tweede Wereldoorlog, vooral in de U-bootoorlog in de Atlantische Oceaan, de veldslagen in Afrika en de landing in Normandië.

Alan Mathison Turing (Londen, 23 juni 1912 – Wilmslow, 7 juni 1954) was een Britse wiskundige en informaticus avant la lettre.

De Enigma-machine was een zeer degelijk ontwerp waarvan de code onbreekbaar leek vanwege een ongeëvenaard cryptografisch veiligheidsniveau. Het waren in beslag genomen codeboeken, fouten door operators en onveilige procedures bij de vercijfering van berichten die het breken van de Enigmacode mogelijk maakten.

 

De Enigma-machine is een elektromechanisch systeem. Het toestel bestaat uit een (QWERTZ-) toetsenbord, drie draaiende (de vierde op de M4 draaide niet) contactschijven, rotors genaamd, die worden voortbewogen door een stappenmechanisme, en een paneel met lampjes. De combinatie van het elektrische circuit en de mechanische beweging noemen we de vercijfering. Het indrukken van een toets wordt via het elektromechanisch systeem vertaald in een oplichtend lampje, dat de vercijferde letter voorstelt.

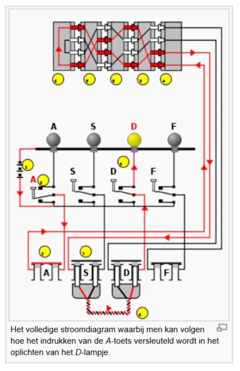
We volgen het stroomdiagram van de Enigma aan de hand van de afbeelding aan de linkerkant. Deze afbeelding toont een machine met slechts vier letters. In werkelijkheid zijn er 26 letters, 26 lampjes en 26 stekkers, en heeft elke rotor 26 doorverbindingen.

Van de batterij (1) vloeit de stroom door de wisselschakelaar (2), die bediend wordt door de ingedrukte A-toets (de toets bevindt zich in de tekening onder de rode letter A), naar het stekkerbord (3) (Steckerbrett). Dit stekkerbord maakt het mogelijk de bedrading tussen toetsenbord (2) en de niet draaiende, vaste ingangsstator (4) (Eintrittwalze) te wijzigen met kabeltjes (8). Bij de letter A is momenteel niets aangesloten op het stekkerbord, dus hier verandert niets. De stroom gaat vervolgens van de contactbussen (3) op het stekkerbord, door de ingangsstator (4) en door de drie stapsgewijs draaiende rotors (5) (Walzen) die de letters vercijferen (door elkaar halen) via hun interne bedrading, om vervolgens door de reflector (6) (Umkehrwalze) via een andere weg teruggestuurd te worden door de rotors (5), langs het stekkerbord (7). De stroom arriveert op het stekkerbord bij de letter S. Er is hier in de tekening een kabeltje (8) gelegd tussen S en D, zodat de stroom verder gaat langs de niet ingedrukte toets D (9) en de gloeilamp D laat branden. De A wordt dus vercijferd als D. Zoals u kunt nagaan, legt de stroom bij het drukken van de D-toets dezelfde weg af in omgekeerde richting en laat het A-lampje branden. Dit is de voor Enigma zo typische reciproque (omkeerbare) versleuteling.

Er bevindt zich een batterijvak in het toestel, maar op het frontpaneel is ook een aansluiting voor een uitwendige stroombron voorzien, en enkele modellen hadden tevens een aansluiting met geïntegreerde transformator om te werken op netspanning. Er kon ook van een externe transformator gebruikgemaakt worden, omschakelbaar voor diverse spanningen van 110 tot 250 volt; deze kon maximaal vier Enigma's voeden. Sommige toestellen hadden een draaischakelaar voor het selecteren van de stroombron, met een extra stand om de lampjes via een weerstand minder fel te laten branden.

Rotors

De drie rotors los

Enigma rotors

De rotors (Walzen in het Duits) waren oorspronkelijk de belangrijkste elementen van de vercijfering. Deze ronde schijven van ongeveer 10 cm zijn vervaardigd uit bakeliet en metaal, met in het midden een verstelbare ring met 26 letters of cijfers, en een hiermee verbonden gladde ring met een uitsparing. Aan de ene kant zijn er 26 verende contacten en de andere zijde bevat 26 vaste, vlakke contacten. De contacten aan beide zijden van de rotor zijn volgens een bepaald schema verbonden door middel van een interne bedrading. De verende contacten van een rotor rusten tegen de vaste contacten van de rotor (of de ingangsstator) rechts ervan. Door de alfabetring, en dus ook de ring met de uitsparing, te verdraaien, kon de positie ten opzichte van de contacten gewijzigd worden (ringinstelling, Ringsstellung).

Deze bedrading vormt het feitelijke versleutelmechanisme van de rotors, en verschilt voor elk van de beschikbare rotors in een set. Elke rotor functioneert als een eenvoudige substitutievercijfering. Het is de combinatie van verschillende rotors in serie, in verschillende posities, die de codering zo complex maakt. Elke rotor heeft aan één zijde een getande ring en aan de andere zijde een gladde ring van dezelfde diameter voorzien van een uitsparing. Beide worden gebruikt om met het stappenmechanisme de rotors te bewegen. De rotors kunnen ook handmatig in de gewenste positie gezet worden, dit vormde een deel van de dagelijks te veranderen begininstelling; deze instelling werd na elk bericht weer gewijzigd.

Vanaf 1939 gebruikten de Wehrmacht en Luftwaffe vijf verschillende rotors, genaamd I, II, III, IV en V. Deze rotors hadden één uitsparing. Volgens de daginstelling werden er drie rotoren gekozen en in de juiste instellingspositie gebracht. De Kriegsmarine werd aanvankelijk voorzien van vijf, later zeven, en ten slotte acht rotors, genummerd I t/m VIII. Deze drie extra rotors hadden twee uitsparingen, waardoor de snelheid van rotorbewegingen verdubbelde bij de rotors die volgden op zo'n rotor.

Vanaf begin 1942 werd een vierde rotor, ook Griekse rotor genoemd, geïntroduceerd op het beruchte M4 Kriegsmarine-model. Er waren twee verschillende, genaamd Beta en Gamma. Deze versmalde rotors waren echter niet verwisselbaar met de andere rotors. Om een vierde rotor te kunnen plaatsen werd ook een nieuwe versmalde reflector gebruikt waartegen de vierde rotor werd geplaatst. Deze vierde rotor draaide niet tijdens de vercijfering van een bericht (dat zou in de praktijk toch nooit gebeuren) en daarom werd er ook geen vierde pal gemonteerd. Deze rotor kon echter wel handmatig in 26 verschillende posities worden gezet. In een van de 26 posities simuleerde de Griekse rotor, tezamen met de reflector van de M4, de bedrading van de reflector van de M3, waardoor de M4 als een M3 werkte. De weerberichten die elke duikboot 's morgens vroeg uitzond, werden via deze M3-simulatie gedaan en hiervan maakten de Britse cryptoanalisten dankbaar gebruik.

Dat de vierde rotor niet kon draaien, maakte nauwelijks iets uit. Immers, de vierde rotor zou pas, afhankelijk van de begininstellingen, na enkele duizenden letters een stap kunnen maken; volgens voorschrift mochten de berichten niet langer zijn dan 250 letters, waarna zo nodig met een nieuwe instelling moest worden verdergegaan. Immers, hoe langer een bericht is, hoe makkelijker het is om de code te kraken. Dit werd namelijk o.a. gedaan door frequentieanalyse (in de 9e eeuw bedacht door de Arabieren) via tabellen met de frequenties van het voorkomen van de verschillende letters en bepaalde korte groepjes van letters. Dit geldt echter alleen voor een redelijk lange tekst. Hoe langer het bericht, hoe beter de tekst met de verschillende frequentietabellen zal overeenkomen.

Stappenmechanisme

De geopende Enigma-machine. Het stappenmechanisme met links de smalle reflector van het Kriegsmarine-model met vier rotors.

Het continu veranderen van de positie van de verschillende rotors zorgt ervoor dat elke letter telkens weer anders vercijferd wordt. De rechtse (snelste) rotor beweegt telkens wanneer een toets ingedrukt wordt. De middelste rotor beweegt, afhankelijk van de instellingen, minimaal 1 en maximaal 26 stappen van de rechtse rotor (wanneer deze rotor één uitsparing heeft). Voor de linkse rotor geldt hetzelfde.

Bij het indrukken van een toets beweegt een grote as met drie verende pallen omhoog. Elke pal is voor de helft geplaatst over de alfabetring (met uitsparing) van de ene rotor; de andere helft over de getande ring van de rotor links daarvan. Indien de uitsparing in de ring van een rotor onder de pal komt, kan deze pal bij de volgende toetsaanslag bewegen tot in de getande ring van de rotor links daarvan. De pal zal dan in de getande ring duwen en de rotor één stap voortbewegen. Voor de middelste rotor geldt dat als de linkse rotor draait, ook de middelste rotor nogmaals draait. Dat komt doordat de pal zich niet alleen in de tandring van de linkse rotor bevindt, maar ook nog in de uitsparing (die even groot en gelijkvormig is aan de ruimte tussen twee tanden) van de middelste rotor, waardoor deze tegelijk met de linkse rotor een extra stap maakt. Daar er rechts van de rechtse rotor geen rotor aanwezig is, zal de pal bij elke toetsaanslag deze rotor doen draaien.

Wanneer er geen toets ingedrukt wordt, zijn de pallen vrij van de rotors; hierdoor kan men alle rotors handmatig in beide richtingen draaien om de vereiste begininstelling te verkrijgen. Verende rollers brengen en houden de rotors in de juiste stand ten opzichte van elkaar.

Er dient nog vermeld te worden dat het indrukken van een toets eerst de rotor(s) zal doen draaien, en pas daarna de omschakelaar zal bedienen waardoor de stroom door het circuit zal vloeien om de letter te vercijferen. De toets dient zo lang ingedrukt te blijven tot de letter van het oplichtende lampje genoteerd is; loslaten doet het lampje doven.

Het stappenmechanisme zoals hierboven beschreven werd gebruikt door de Wehrmacht- en de Kriegsmarine-machines. De Enigma-G van de Abwehr werkt totaal verschillend. De Enigma-G heeft een draaiende reflector en drie rotors met resp. 11, 15 en 17 uitsparingen met onregelmatige tussenafstanden, aangedreven door tandwielen. De van de Enigma afgeleide machine die de Russen tijdens de Koude Oorlog in gebruik hadden, maakte gebruik van tien rotors, die alle bij elke toetsaanslag draaiden door middel van een elektromotor; de oneven rotors de ene kant op, de even rotors de andere kant op. Het toestel had geen stekkerbord en kabeltjes maar een omschakelmechanisme dat via een geponste kartonnen kaart ingesteld werd. Dit voorkwam het nogal eens voorkomende verkeerd insteken van de kabeltjes.

Reflector

De brede type 'B' reflector

De reflector of Umkehrwalze is wat de Enigma-machine onderscheidde van andere elektromechanische vercijfertoestellen. Bij de interne bedrading van de rotors kan elke letter met een andere verbonden worden. Zo kan A met F verbonden zijn, en F met K. Bij de reflector worden de letters echter in lussen verbonden, waardoor de stroom weer in de rotoren teruggevoerd wordt, en via een andere route de vercijferletter bereikt. Als A met F is verbonden, is dit ook omgekeerd het geval. Hierdoor ontstaat een reciproque codering. Het grote voordeel is dat wanneer bijvoorbeeld G in X wordt vercijferd, men bij het ontcijferen enkel maar de X hoeft in te drukken om de G terug te krijgen. Hierdoor hoefde de operator tijdens het ontcijferen geen andere handelingen uit te voeren dan tijdens het vercijferen. Een nadeel, dat later een zwakke schakel in de codering bleek, is dat een letter nooit tot zichzelf vercijferd kan worden.

Tijdens de Tweede Wereldoorlog zijn voor de Wehrmacht-machine twee typen reflectors gebruikt: B en C. Tegen het einde van de oorlog is hier de reflector D aan toegevoegd. Deze kon door middel van 12 draden met 24 stekkers worden aangepast. De dertiende verbinding was vast aangebracht. De vier-rotormachines van de Kriegsmarine zijn voorzien van speciale smalle reflectors, ook B en C genaamd, maar met een andere interne bedrading (zie hierboven).

Stekkerbord

Het stekkerbord met enkele ingevoerde stekkerparen.

Het stekkerbord of Steckerbrett werd in 1930 geïntroduceerd op de eerste versies van de Wehrmacht. Dit stekkerbord is vooraan in de machine geplaatst. Zonder stekkers vloeit de stroom van elke toets naar de corresponderende letter van de ingangsstator. Indien een kabel met twee stekkers wordt geplaatst, verbindt men een letterpaar. Hierdoor worden de verbindingen van de twee letters verwisseld voor ze naar de ingangsstator gaan (de draden van de stekkers zijn gekruist). Het stekkerbord was een uitbreiding die de sterkte van encryptie van de Enigmamachines enorm verbeterde (althans dat dacht men). Oorspronkelijk werden er zes kabeltjes meegeleverd, later tien. Het grootste aantal mogelijke verbindingen wordt overigens bereikt bij het gebruik van elf kabeltjes, de twaalfde en dertiende bracht dit aantal behoorlijk omlaag.

Elke letter heeft twee contactbussen. Inbrengen van een tweepolige, haakse stekker verbreekt de bovenste bus komende van het toetsenbord, en de onderste bus, die naar de ingangsstator gaat. (De pennen drukken via isolatiestukjes de kortsluitbrug weg.) De stekker aan het andere einde van de gekruiste kabel steekt in een andere letter, waardoor de verbinding tussen de twee letters verwisseld wordt.

Het totale aantal mogelijke instellingen van rotors en kabeltjes tezamen was groter dan het aantal atomen in het gehele bekende universum. Geen wonder dat de specialisten van de Abwehr de chef van de Kriegsmarine, admiraal Karl Dönitz, (die op een gegeven moment lont rook) bezwoeren dat de Enigma onkraakbaar was. Dönitz dacht vervolgens aan spionage of verraad, en de Enigma werd niet meer ter discussie gesteld. Wel werd de M4 van een vierde rotor voorzien.

Dat grote (overigens vermeende) aantal lijkt misschien vreemd. De Enigma was een vercijfermachine die gebruikmaakte van polyalfabetische substitutie. Dat wil zeggen dat er gebruikgemaakt werd van zeer veel verschillende cijferalfabetten. Een cijferalfabet is een alfabet in een volstrekt andere volgorde (permutatie) dan enig ander cijferalfabet. Dit werd bij de Enigma bereikt door met pseudowillekeurige sleutels te werken, voor elke te vercijferen letter een andere sleutel, hetgeen op hetzelfde neerkomt.

Met 26 letters kunnen 26! (het uitroepteken staat voor faculteit) volstrekt verschillende volgordes (permutaties) worden gemaakt. Dat is voor 26! het enorme aantal van 403 291 461 126 605 635 584 000 000; dat is enkele duizenden malen groter dan het vermeende aantal mogelijkheden van de Enigma.

Beperkingen van de Enigma

Guderian in zijn mobiele commandopost, Frankrijk mei 1940. Op de foto is te zien dat er gebruik wordt gemaakt van een Enigma apparaat.

De Britten waren reeds aan het begin van de oorlog in het bezit van de werking en de bedrading van de machine, waardoor het gigantische aantal permutaties behoorlijk verminderde, maar er bleven toch nog een enorm aantal mogelijkheden over, te veel om te kraken. De geniale Britse wiskundige Alan Turing, die een sleutelfiguur zou worden in de theoretische informatica en tijdens de oorlog werkzaam was bij het project ULTRA, (het kraken van de Enigma) bewees dat het grote aantal instellingen meer schijn dan werkelijkheid was.

Het begon al met de tweede keer dat het elektrische signaal via de reflector de rotors doorliep om uiteindelijk bij een lampje uit te komen. De ontwerper beweerde dat dit het aantal permutaties behoorlijk vergrootte, maar dat was niet het geval, het werd juist drastisch kleiner! Ook het stekkerbord met zijn ruim 150 biljoen mogelijkheden (met tien snoertjes) waar men zo hoog over opgaf, bleek van nul en generlei waarde wegens het feit dat het een vaste instelling betrof, die niet door de stappende rotors werd veranderd. Het resultaat van het stekkerbord kon geëlimineerd worden door intelligente instellingen van de rotors in de ontcijfermachines. Dit was ook het geval bij de ringinstelling. De codebrekers lieten stekkerbord en ringinstelling dan ook buiten beschouwing. Het aantal keren dat de rotors per bericht stapten, was ook betrekkelijk klein: de vierde rotor stapte nooit, de derde stapte hoogstens één keer, en de tweede hoogstens een paar keer. Verder bracht ook het feit dat een letter nooit tot zichzelf vercijferd kon worden, het aantal mogelijke permutaties flink omlaag. Al met al verschrompelde het oorspronkelijke astronomische aantal permutaties van meer dan 2×10²³ (een 2 met 23 nullen) tot een schamele 2 109 120 dus iets meer dan 2 miljoen. Door dit alles hoefden de ontcijfermachines veel minder ingewikkeld te zijn en ook minder lang te zoeken.

Alan Turing was nu in staat het principe van de Bombe verder te ontwikkelen. De Bombe (een oorspronkelijke uitvinding van de Polen) was een grote machine met een groot aantal rotors, die allerlei vermoedelijke stukjes "klare tekst" van de berichten op diverse plaatsen van de "cijfertekst" kon uitproberen. (Oorspronkelijk werd dat met potlood en papier gedaan.) Deze methode van codebreken is al zeer oud. De Britse codebrekers noemden deze stukjes "cribs". Daar het aantal praktische mogelijkheden enorm gereduceerd was, waren de vermoedelijke stukjes klare tekst met de tientallen dag en nacht werkende, sneldraaiende Bombes in een redelijk tijdsbestek (vaak toch wel een etmaal) te doorzoeken. Als de cribs niet juist gekozen waren, was er geen resultaat, en moest er opnieuw naar cribs gezocht worden. (Zonder cribs is ontcijferen het zoeken naar een naald in een hooiberg.)

Bij het ontcijferen werd niet van Enigma's gebruikgemaakt. De gebruikte Bombes vonden bij een juiste keuze van de crib(s) een of twee instellingen van de Bombe die resultaat gaven, dat was dus een andere instelling dan die oorspronkelijk bij de Enigma was gebruikt; de ringinstelling en de snoertjes waren automatisch in de gevonden instelling verdisconteerd. De begininstelling (voor de Bombe) van het bericht kon nu gereconstrueerd worden, waarna dezelfde Bombes met de gevonden instelling het gehele bericht snel konden ontcijferen. Er kwam dus geen enkele Enigma aan te pas.

Ondanks de gigantische reductie van het werkelijke aantal permutaties, kon de Enigma eigenlijk met de toen beschikbare middelen (waaronder machines) niet gekraakt worden, althans niet op tijd. Dat dit toch gebeurde, was te danken aan het grote aantal slordigheden bij het gebruik. Men was kennelijk zo overtuigd van de onkraakbaarheid, dat de meest elementaire regels bij het vervaardigen van cijferberichten, met welk systeem dan ook, vaak niet in acht werden genomen, waardoor er regelmatig cribs konden worden samengesteld. Bij het kraken van ingewikkelde vercijfersystemen zijn er namelijk altijd enkele aanwijzingen nodig over wat waar kan staan. Hoe groter deze stukjes zijn, en hoe meer er zijn, hoe beter. De tientallen Bombes waren in staat om met brute force veel stukjes vermoedelijke klare tekst (de "cribs") op diverse posities van de cijfertekst bij alle mogelijke instellingen te onderzoeken. Moderne digitale systemen zijn niet op deze manier te breken.

Zie ook hierna onder de kop Het breken van de Enigma en hier vooral ook onder het kopje Het werk van de Britten. Voor de verschillende berekeningen is er op de Duitse Wikipedia-site onder het lemma Enigma veel te vinden.

Accessoires

De Schreibmax, gemonteerd op een Kriegsmarine M4 Enigma.

Een handige toevoeging aan de M4 Enigma was de Schreibmax, een kleine printer die op een smalle gegomde papierstrook de tekst kon afdrukken, waardoor een tweede operator voor het aflezen van de lampjes overbodig was. De Schreibmax werd bovenop de Enigmamachine geplaatst en was aangesloten op het lampjespaneel. Hiervoor dienden dit paneel en alle lampjes verwijderd te worden. De taak van de tweede operator kon ook vereenvoudigd worden door een extern lampjespaneel of Fernlesegerät. Als de machine was voorzien van zo'n extern paneel was de behuizing van de Enigma breder om het extra paneel te kunnen bevatten. Er was ook een uitvoering die nadien kon worden aangesloten, maar daarvoor moesten, net als bij de Schreibmax, het paneel en de lampjes verwijderd worden. Een ander voordeel van dit paneel was extra veiligheid. Een gemachtigde persoon kon het ontcijferde bericht lezen, terwijl dit voor de operator onzichtbaar bleef.

Enigma Uhr

In 1944 werd op de Luftwaffe Enigma een extra mechanisme geïntroduceerd, de zogenaamde Uhr (klok). Dit was een los kastje met daarin een schakelaar met 40 standen. Hiermee kon men de kabels, ingesteld volgens de Tagesschlüssel op eenvoudige wijze op 40 verschillende manieren verbinden, met een nog groter aantal instellingen tot gevolg. De meeste van deze instellingen waren niet paarsgewijs, zoals gebruikelijk met de normale kabels.

Gebruik van de Enigma

Het militair gebruik van Enigma werd opgedeeld in verscheidene netten. Elk net had zijn eigen codeboeken en soms ook eigen procedures voor het instellen van de machine. Elk net had ook zijn eigen codenaam. Zo hadden de netten van de Kriegsmarine in Duitsland de namen van Germaanse mythologische figuren, terwijl die in Bletchley Park (het complex waar de Britten de Enigma-code kraakten) namen van vissoorten kregen.

Instellingen

De codeboeken werden op voorhand verspreid en bevatten de basisinstellingen voor één maand, per dag.

Elk codeboek bevatte volgende instellingen:

  • Volgorde en keuze van de rotors (Walzenlage)
  • Ringinstelling, de positie van de interne bedrading ten opzichte van de alfabetring en uitsparing (Ringstellung)
  • Stekkerinstellingen, de verbinding van de letterparen op het stekkerbord (Steckerverbindungen)
  • Startpositie van de rotors, zichtbaar in de rotorvenstertjes, verschillend voor elk bericht (Grundstellung, het eventuele gebruik van de startpositie hing af van de gebruikte procedure)

Het vercijferen van berichten

Zicht op de positie van de rotors bij een Kriegsmarine M4-model.

In het begin van het militaire gebruik werden zowel rotors, stekkers als startpositie van de Enigmamachine ingesteld op de daginstelling volgens de codeboeken. De operator koos dan een willekeurig trigram, de berichtsleutel. Deze berichtsleutel werd tweemaal gecodeerd, om vergissingen te vermijden. Het trigram AES werd bijvoorbeeld gecodeerd in RHG YKI. Daarna stelde de operator de rotors in op de startpositie AES en codeerde zijn bericht. De gecodeerde berichtsleutel en het eigenlijke bericht werden samen verzonden. De ontvangende operator stelde de machine in op de daginstellingen en ontcijferde de trigrammen RHG YKI. Dit onthulde bij juiste ontcijfering de berichtsleutel AESAES. Hij stelde vervolgens de startpositie in op AES en decodeerde de rest van het bericht.

De gevolgde procedure was echter nadelig voor de veiligheid van de vercijfering. De berichtsleutel werd tweemaal gecodeerd en er ontstond een verband tussen de letters van de twee trigrammen. Bovendien werd voor elke berichtsleutel dezelfde startpositie gebruikt. Bij het uitbreken van de Tweede Wereldoorlog werd de procedure gewijzigd om de veiligheid te verhogen. Hierdoor werd het gebruik van de daginstelling beperkt.

Vanaf 1940 gebruikte de operator de codeboeken alleen om de rotors en stekkers in te stellen. Hij koos dan bijvoorbeeld een willekeurige startpositie DFG en vercijferde dan een willekeurige berichtsleutel XTE. Dit resulteerde bijvoorbeeld in VEC. Hij vercijferde het bericht zelf met berichtsleutel XTE als startpositie. Vervolgens verzond hij de startpositie DFG en de vercijferde berichtsleutel VEC samen met het bericht. De ontvanger stelde de machine in op startpositie DFG, ontcijferde de berichtsleutel terug naar XTE en gebruikte deze als startpositie om het bericht te ontcijferen.

De beschreven procedure werd uitsluitend door Wehrmacht en Luftwaffe gebruikt. De procedures van de Kriegsmarine voor het verzenden van berichten, gecodeerd met de Enigma-machine, waren veel complexer dan bij de Wehrmacht en Luftwaffe. Alvorens het bericht te vercijferen met de Enigma werd het gecodeerd via het Kurzsignalheft of de Wetterkurzschlussel. Het Kurzsignalheft diende voor allerhande operationele berichten, de Wetterkurzschlussel voor het coderen van weerrapporten. Het Kurzsignalheft bevatte tabellen met vierletterige codes die zinnen, zinsdelen, uitdrukkingen enz. voorstelden. Hierdoor werd het bericht aanzienlijk korter, wat radiopeiling door de geallieerden moeilijker maakte. Er was in allerhande uitdrukkingen en veel onderwerpen voorzien. Logistieke zaken zoals bevoorrading en rendez-vouspunten met andere schepen, positie- en grid- (raster) lijsten, namen van alle havens en landen, wapens, weerstoestanden, datum- en tijdstabellen, enz. Meer details op Kurzsignalen op U-boten.

Procedures

Een officier of schriftelijk gemachtigde onderofficier beheerde de codeboeken en stelde de rotors en ringinstellingen volgens de voorziene Tagesschlüssel in, waarna hij het toestel vergrendelde met de twee sloten. De operator kon alleen de startpositie van de rotors bepalen en de stekkers wijzigen. Het Enigmatoetsenbord bevat slechts de 26 letters van het alfabet. Leestekens en cijfers ontbraken. Leestekens werden vervangen door zelden voorkomende letters of lettercombinaties. Spaties werden gewoon weggelaten als de tekst hierdoor leesbaar bleef, anders werd de laatste letter van een woord twee of driemaal gespeld, of een X tussengevoegd, afhankelijk van het woord en de leesbaarheid. De X werd overal gebruikt als punt. Andere leestekens verschilden echter al naar gelang het legeronderdeel. Zo werd bij de Wehrmacht een komma vervangen door ZZ en een vraagteken door FRAGE of FRAQ. Bij de Kriegsmarine werd een komma echter vervangen door een Y en het vraagteken door UD. De combinatie CH, zoals in Acht of Richtung werd steeds vervangen door Q (Aqt, Riqtung). Twee, drie of vier nullen werden vervangen door resp. CENTA, MILLE en MYRIA. De Wehrmacht- en Luftwaffeberichten werden verstuurd in groepen van vijf letters, terwijl de Kriegsmarineberichten, vercijferd met de vier-rotor-Enigma, werden opgedeeld in groepen van vier letters. Regelmatig gebruikte uitdrukkingen of namen moesten afwisselend op verschillende wijze en op verschillende plaatsen geschreven worden om herkenbare patronen te vermijden, enz. Waarschijnlijk wegens het grote vertrouwen in de onkraakbaarheid van de Enigma werd daar vaak tegen gezondigd en hiervan maakten de Britten dankbaar gebruik.

Het versturen van berichten langer dan 250 letters was verboden om cryptoanalyse moeilijker te maken. Grotere berichten werden opgedeeld en op een speciale wijze gemarkeerd, waarbij elk deel zijn eigen vercijferde berichtsleutel had.

Voor meer details over de procedures zie Tony Sales vertalingen van General Procedure en Officer and Staff procedure.

Geschiedenis

Het Enigma-logo. Hoewel zeer bekend is dit logo slechts zelden te vinden op de Enigma-machines die door verschillende fabrikanten zijn gemaakt.

Met de toename van de draadloze communicatie sinds circa 1900 werd men meer bewust van de noodzaak van geheimhouding van communicatie. Toen de elektrotechniek op peil kwam begonnen mensen zich bezig te houden met automatisering van cryptografie.

Op 23 februari 1918 vroeg in Duitsland Arthur Scherbius patent aan voor een machine die bekend zou worden als Enigma. Hij probeerde de machine aanvankelijk te slijten aan de Duitse Marine en het ministerie van Buitenlandse Zaken. Hij had hiertoe een vennootschap opgericht (Scherbius & Ritter). De organisaties toonden geen interesse. Op 7 oktober 1919 vroeg in Nederland Hugo Alexander Koch uit naam van zijn bedrijf (Ingenieursbureau Securitas) patent aan voor een soortgelijke machine. Het bedrijf van Scherbius ging op in Gewerkschaft Securitas en onderhield zonder twijfel nauwe contacten met het bedrijf van Koch. Dit wordt gestaafd door de gelijkenis in de naam van de bedrijven van beide heren en de Duitse invloed op het bedrijf van Koch maar vooral door de gelijkenis in de patenten die beide bedrijven voor latere innovaties aanvroegen. Het Duitse patent 425,147 is een vrijwel letterlijke vertaling van het Nederlandse patent 10.700

Scherbius' bedrijf, dat later ook de patenten van Koch overnam, ging in 1923 op in Chiffriermaschinen Aktiengesellschaft. Dit bedrijf exposeerde dat jaar op het congres van de Wereldpostunie de Glow-Lamp Ciphering and Deciphering Machine: Enigma. Dit zou later bekend worden als Enigma A, een log toestel met schrijfmachine van circa 50 kg zonder stekkerbord. Nadat een jaar later op hetzelfde congres een nieuwe versie (Enigma B) ook gedemonstreerd kon worden kreeg het nieuws aandacht in het Amerikaanse Radio News en een uitvoerige beschrijving in het werk Chiffrieren mit Geraten und Maschinen van Siegfried Türkel. De toepassing van de reflector, een idee van Scherbius’ collega Willi Korn, leidde tot de ontwikkeling van de Enigma C.

Vanaf 1926 raakten strijdkrachten van verschillende naties geïnteresseerd. Zo gaf de Nederlandse cryptoloog Henri Koot een beoordeling van de machine.

De Enigma C, veel compacter dan zijn voorgangers en uitgerust met gloeilampen in plaats van een schrijfmachine, leidde tot de ontwikkeling van de Enigma D in 1927. Dit model werd wijd verspreid in Europa en ver daarbuiten.

Militaire versies

De Japanse Enigma-kloon.

In 1926 kocht de Duitse Marine commerciële Enigma’s aan, paste deze toestellen aan voor militair gebruik en noemde ze Funkschlüssel C. Het toestel had een stappenmechanisme met pallen die in tanden op de rotors grepen. In 1928 ontwikkelde Chiffriermaschinen AG een aangepaste versie van de Enigma met rotors die werden voortbewogen door een tandwielmechanisme in plaats van pallen en een draaiende reflector. De rotors waren identiek aan die van de Enigma D maar waren voorzien van een tandwielring in plaats van de gebruikelijke tanden voor pallen. Hoewel dit tussenmodel reeds in 1928 publiek werd getoond dateert het patent hiervoor echter pas van 1931. De uiteindelijke Enigma G had andere rotors met andere pinposities en enkele gewijzigde details zoals het tellermechanisme aan de andere zijde dan het tussenmodel. De Duitse Abwehr kocht de 12 kg lichte Enigma G aan, net als de Nederlandse Koninklijke Marine. De Abwehr Enigma werd ook wel de Zahlwerk Enigma genoemd, naar de teller die op het toestel zat. (Dit type is enkele jaren geleden in het nieuws gekomen door een diefstal van een dergelijke machine uit Bletchley Park.) De Enigma-G heeft een roterende reflector en drie wielen met resp. 11, 15 en 17 nokken die bewegen door middel van een stappenmechanisme dat werkt als dat van een kilometerteller.

De Enigma-G

De Wehrmacht nam in 1928 de Enigma D in gebruik maar bracht enkele wijzigingen aan, waaronder de introductie van het stekkerbord. Het is dit toestel, de Enigma I, dat bekend werd als de Wehrmacht Enigma. Dit toestel werd op grote schaal verspreid in het Duitse leger en overheidsdiensten. De Luftwaffe volgde in 1935 het voorbeeld van de Wehrmacht. Het toestel was in het begin uitgerust met drie verschillende rotors, die in de gewenste volgorde geplaatst konden worden. Om het aantal combinaties uit te breiden kon de Wehrmacht vanaf 1939 voor de drie benodigde rotors kiezen uit een set van vijf rotors.

De Marine nam in 1934 de Wehrmacht Enigma over, die voorzien was van het veiliger stekkerbord, en breidde de set van drie standaardrotors eerst tot vijf en in 1939 tot acht rotors uit. Het Marine Enigma-toestel kreeg de naam Funkschlüssel M of M3. Toen de beruchte doeltreffendheid van de U-boten in de loop van 1941 drastisch achteruitging, drong admiraal Karl Dönitz aan op verbetering van de Kriegsmarine-Enigma’s. Hoewel de Duitse inlichtingendienst, de Abwehr, hem ervan verzekerde dat Enigma onbreekbaar was, voerde Dönitz begin 1942 het beruchte M4-model met vier rotors in.

De Zwitserse Enigma K had vier rotors maar geen stekkerbord.

Verschillende andere landen gebruikten eerdere modellen van de Enigmamachine. In Zwitserland werd de Enigma K gebruikt. De Italiaanse marine gebruikte de commerciële Enigma D, net als Spanje tijdens de Spaanse Burgeroorlog. Het berichtenverkeer van al deze modellen werd door verscheidene inlichtingendiensten gebroken, vooral door de beperkte veiligheid vanwege het ontbrekende stekkerbord. Japan gebruikte de Enigma T, ook wel Tirpiz Enigma genoemd, een aangepaste versie van de Enigma K. Japan ontwikkelde ook een eigen versie van de Enigma, met horizontaal geplaatste rotors. Ook dit toestel was niet bestand tegen de codebrekers.

Er zijn naar schatting 100 000 Enigma-machines geproduceerd. Na de Tweede Wereldoorlog werden Enigma-toestellen door de geallieerden verkocht aan verscheidene derdewereldlanden. De geallieerden vertelden echter niet dat zij de met Enigma vercijferde berichten konden breken. Het breken van de Enigma-codes is tot in de jaren zeventig topgeheimgehouden.

Na de Tweede Wereldoorlog was Enigma de basis voor vele geavanceerde mechanische en elektromechanische codeertoestellen zoals het Zwitserse NEMA-toestel met tien rotors. Minder bekend is de geavanceerde programmeerbare Russische variant, het M-125 Fialka-toestel, dat tot voor kort topgeheim werd gehouden.

Breken van de Enigma

Henryk Zygalski, Marian Rejewski en Jerzy Różycki – de drie Poolse wiskundigen.

De Polen waren de eersten die de Duitse Enigma-codes konden ontcijferen. In januari 1929 vond een alerte Poolse douanebeambte een Duits pakket dat een Enigma-codeermachine bleek te bevatten en informeerde de Poolse veiligheidsdiensten. Twee Poolse ingenieurs van het Biuro Szyfrów bestudeerden de Enigma-machine gedurende twee dagen maar vonden geen succesvolle methode om de Duitse militaire berichten te ontcijferen (deels doordat de onderzochte machine een commerciële versie was).

Twee jaar later (december 1931) ging een delegatie van het Franse Deuxième Bureau (de Franse geheime dienst) naar Warschau om foto's van Enigma-documenten te overhandigen aan het Poolse decoderingsbureau. De Fransen hadden de documenten van de Enigma-spion Hans-Thilo Schmidt (broer van de Duitse generaal Rudolf Schmidt) gekocht. Marian Rejewski, een wiskundige van de Poolse universiteit van Poznań, werd door luitenant Maksymilian Ciężki, hoofd van de Duitse sectie binnen het Poolse decoderingsbureau, gevraagd om het Enigma-raadsel te ontrafelen via een wiskundige methode. Rejewski kwam erachter dat het raadsel alleen kon worden ontrafeld als hij een replica van de Enigma ter beschikking had.

Om deze replica te ontwikkelen bedacht hij een wiskundige formule om de interne bedrading, van de rotor die uiterst rechts stond, te achterhalen. Na verschillende foutieve resultaten bij het toepassen van trial-and-error kwam hij erachter dat de bedrading van de Enigma-ingangsschijf in de militaire uitvoering afweek van die in de commerciële versie. Na de ontdekking van de juiste bedrading van de Enigma-ingangschijf en met behulp van de Enigma-documenten die de Polen van de Franse geheime dienst hadden ontvangen, kon Rejewski de bedrading van de andere rotors in de (militaire) Enigma-codeermachine kraken. Hierna werden in het diepste geheim de eerste replica's geproduceerd waarna de Polen konden beginnen om de zwakke punten in de Duitse militaire berichten te achterhalen. Marian Rejewski kreeg hierbij hulp van de wiskundigen Henryk Zygalski en Jerzy Różycki.

Eén manier om de zwakke punten in de Duitse Enigma-communicatie te vinden was het achterhalen van patronen (wederkerende procedures of terugkerende berichten). In de jaren dertig was het zwakke punt de berichtinstelling die tweemaal werd herhaald. De codebrekers of cryptografen hoefden nu alleen maar alle mogelijke patronen van de wederkerende berichteninstelling te noteren, tezamen met de wielinstellingen van de Enigma. Deze methode werd de Karakteristieke methode genoemd. De eerste Enigma-berichten werden in december 1932 gekraakt en de ontcijfermethoden werkten tot de Duitsers op 15 september 1938 hun Enigma-procedures veranderden. De Polen vonden binnen enkele weken twee andere methodes: de Bomba-methode ("bomba kryptologiczna") en de methode van de geperforeerde vellen. De Bombe was een grote machine met een groot aantal rotors, die allerlei vermoedelijke stukjes van de berichten kon uitproberen. Op een gegeven moment stonden in Engeland tientallen van deze machines dag en nacht te draaien.

Toen de Duitsers op 15 december 1938 het aantal Enigma-rotors verhoogden van drie naar vijf (waarvan er drie volgens de dagsleutel gekozen werden) konden de Polen hierna de vergroting van het aantal mogelijke instellingen met hun Bomba- en geperforeerde vellenmethodes nauwelijks bijhouden. Op 1 januari 1939 veranderden de Duitsers nogmaals de Enigma-procedure waarbij ze het aantal externe stekkercontacten verhoogden van 6-10 naar 14-20. Het resultaat was dat de Poolse Bomba-methode zijn efficiëntie verloor en de Poolse Generale Staf in januari 1939 aan Maksymilian Cięźki en Guido Langer toestemming gaf om hun Enigma-geheimen door te geven aan de Franse en Britse collega's. Op 24 en 25 juli 1939 werd te Pyry, nabij Warschau, een vergadering gehouden. De Fransen, die de Polen de Enigma-documenten hadden overhandigd en tot op dat ogenblik helemaal niets wisten van het kraken van de Enigma, kregen samen met de Britten een Enigma-replica mee. Het pionierswerk van de Poolse codebrekers bleek van onschatbare waarde maar kreeg na de oorlog niet altijd de waardering die het verdiende.

Het werk van de Polen

De Duitsers werkten iedere dag met een andere instelling van de machine. Dit was de dagsleutel, die in de codeboeken stond. Bovendien kreeg ieder bericht een eigen sleutel, de berichtsleutel. Voordat een bericht verstuurd werd, werd de machine op de dagsleutel ingesteld. Daarna werd de berichtsleutel overgezonden, en vervolgens werd de machine op de berichtsleutel ingesteld. Daarna kwam het bericht.

De dagsleutel specificeerde:

  • de gebruikte rotoren en de volgorde ervan (met vijf rotoren waren er 60 mogelijkheden)
  • de ringinstelling
  • de oriëntatie van de rotoren (met drie rotoren waren er 17 576 mogelijkheden)
  • de instelling van het stekkerbord (met zes snoertjes waren er 6,4 biljoen mogelijkheden)

De berichtsleutel bestond uit een andere oriëntatie van de drie rotoren. Het stekkerbord en de volgorde van de rotoren werden voor de berichtsleutel niet veranderd.

Om fouten te voorkomen werd de berichtsleutel, die uit drie letters bestond, twee keer overgezonden. Dit bleek een belangrijk aanknopingspunt te zijn voor de Poolse cryptoanalisten, die werkten onder leiding van Marian Rejewski.

Stel, de dagsleutel is $. Nu wordt de berichtsleutel overgezonden. Deze is bijvoorbeeld XTE. Men zendt deze twee keer over, dus XTEXTE. Gecodeerd is dat bijvoorbeeld VECTCE.

De ontvanger van het bericht kent de berichtsleutel niet, maar hij weet dat de onbekende letter die met sleutel $ versleuteld wordt tot een V, met sleutel $+3 versleuteld wordt tot een T. Dit wordt genoteerd als V>T. Voor de sleutels $+1 en $+4 is het E>C, en voor de sleutels $+2 en $+5 is het C>E.

In de loop van de dag wordt een groot aantal berichten ontvangen, en de eerste zes letters zijn allemaal met dezelfde daginstelling versleuteld. Is de beginletter een V, dan is de vierde letter altijd een T, enzovoort. Na enige tijd beschikt de cryptoanalist over een groot aantal gecodeerde berichtsleutels. Hij weet nu dat als de beginletter een T is, dan is de vierde letter een S. En als de beginletter een S is, dan is de vierde letter een D. Na de D komt weer de V en zijn we terug bij het begin. Hij noteert het resultaat als V>T>S>D>V.

In de laatste regel van de tabel is vermeld hoe lang de ketens zijn. (Het is eenvoudig aan te tonen dat de lengtes altijd in paren voorkomen.)

De volgende dag werd er een andere dagsleutel gebruikt. Nu ontstonden er ketens van een andere lengte. De ketenlengten zijn niet afhankelijk van de instelling van het stekkerbord, wat het werk aanzienlijk vereenvoudigt.

De Polen stelden hun machines op verschillende dagsleutels in en bepaalden voor iedere sleutel hoe lang de ketens waren. Het stekkerbord bleef buiten beschouwing, en het aantal te onderzoeken combinaties was daardoor relatief klein, dat wil zeggen ruim een miljoen. Dit duurde een jaar. (Een moderne computer doet hetzelfde in een paar tellen.) Op die manier werd een codeboek samengesteld. De Polen waren nu klaar om gecodeerde berichten te ontvangen.

Als nu op een dag berichten binnenkwamen, dan bepaalden de cryptoanalisten met behulp van de eerste zes letters de lengten van de ketens. Hiervoor waren meestal minder dan honderd berichten nodig. In het codeboek kon nu de dagsleutel worden opgezocht. Meestal was er meer dan een dagsleutel mogelijk bij een gegeven ketenlengte, maar dat was een kwestie van uitproberen.

De instelling van het stekkerbord was nu nog niet bekend, maar dat was een elementair karwei. Het stekkerbord had weliswaar meer dan 100 miljard instelmogelijkheden, maar het kwam slechts neer op een simpel substitutiecijfer, en dat is uiterst eenvoudig te kraken.

Nu was de dagsleutel bekend en konden alle berichten van die dag probleemloos ontcijferd worden.

Het werk van de Britten

Bletchley Park, Engeland.

De Britse Government Code and Cipher School in Bletchley Park brak de Enigmacodes aanvankelijk met pen en papier. In augustus 1940 startten zij met het gebruik van hun eigen 'Bombe', ontwikkeld door Alan Turing en Gordon Welchman. Dit was eveneens een elektromechanische machine, maar gebaseerd op een totaal ander principe. Alle informatie die werd verkregen via het breken van Enigma had de codenaam "Ultra", en speelde een beslissende rol tijdens de gehele oorlog, maar vooral in de Atlantische Oceaan.

Een belangrijke fout in het ontwerp van de Enigma was dat een letter nooit in zichzelf vercijferd werd, wat het speurwerk van de codebrekers beperkte. Een andere belangrijke techniek was het zoeken naar cribs. Dit was het zoeken naar de juiste positie van vercijferde tekst binnen een bericht, waarvan men de klare tekst vermoedde. Door de strikte uniformiteit in de Duitse berichten kon men dikwijls voorspellen waar welk stukje tekst voor zou komen. Was zo'n crib eenmaal gelokaliseerd, dan zocht men met een Bombe de sleutelinstellingen die erbij hoorden, om vervolgens het bericht te ontcijferen. Zo'n Bombe liep uitsluitend de mogelijke instellingen af die een bepaalde cijfertekst en vermoede klaartekst combineerden, en kon doorgaans binnen de 24 uur de juiste combinatie vinden. Zo waren bij de Kriegsmarine de meeste cribs afkomstig van contactberichten door U-boten en van weerberichten. Deze berichten werden omgezet in vierlettercodes, Kurzsignalen genoemd, alvorens te vercijferen met de Enigma. De Britten slaagden er echter in de Kurzsignal-codeboeken te kraken, wat dan weer cribs opleverde. Enkele andere gemakkelijk te kraken cribs zijn bijvoorbeeld "An dem Oberbefehlshaber", "Nichts zu melden" of de afsluiter "Es lebe der Führer".

Deze topgeheime informatie diende erg omzichtig gebruikt te worden, opdat het Duitse oppercommando niet zou beseffen dat er Enigmacodes gebroken werden. Daarom werden er speciale verbindingsofficieren geplaatst in belangrijke hoofdkwartieren op het terrein, die ervaren waren in het gebruik van de Ultra-informatie. Zij kregen hun informatie rechtstreeks van een speciale afdeling die gespecialiseerd was in tactische analyse en snelle verspreiding van belangrijke informatie. Winston Churchill zou het belang van geheimhouding zo groot hebben gevonden, dat hij een bombardement op Coventry door de Duitsers heeft laten plaatsvinden, hoewel de informatie hierover via "Ultra" vooraf bekend zou zijn geweest.

De "Ultra"-informatie bleek vooral uiterst doeltreffend in de strategisch zeer belangrijke Atlantische Oceaan in de strijd tegen de geduchte Duitse U-boten. De aanvallen van deze duikboten waren zo vernietigend voor de geallieerde bevoorrading, dat ze bijna de oorlog beslisten in het voordeel van Duitsland. Dankzij het onderscheppen van de communicatie tussen de U-boten kon het tij alsnog gekeerd worden. (Zie het hoofdartikel over dit onderwerp: Enigma en de U-bootoorlog.) Verder waren de Britten in staat om het berichtenverkeer tussen Kriegsmarine en Duitse wal uit te peilen, waardoor op eenvoudige wijze Duitse schepen konden worden gelokaliseerd, zoals dat gebeurde met de Bismarck.

Aanvankelijk kwamen er dagelijks meer berichten binnen dan de mannen en vrouwen van Bletchley Park konden ontcijferen, doordat ze menskracht te kort kwamen. De medewerkers meldden dat bij hun chef, maar die vond dat hij het zich niet kon veroorloven nog meer budget aan te vragen. Nadat Winston Churchill op bezoek was geweest, richtten de codebrekers zich direct tot Churchill. Deze zorgde er onmiddellijk voor dat het team werd uitgebreid. Op een gegeven moment waren er 7000 personen in ploegendienst werkzaam.

Codebreekster Mavis Batey 

Mavis Batey met haar echtgenoot tijdens de Tweede Wereldoorlog.

Mavis Batey overleed op 92-jarige leeftijd in november 2013. Zij was een van de weinige vrouwelijke medewerkers van de Britse geheime dienst die in Bletchley Park de Duitse codes wisten te breken.

Bletchley Park was een landhuis op het platteland van Buckinghamshire, waar een grote groep mensen hun uiterste best deed om de Duitse codes te breken. Sommige van hen zijn zeer bekend, zoals Alan Turing, anderen leefden meer in de schaduw. Mavis Batey was een van hen.

Van school gehaald

Mavis Batey sprak Duits en studeerde aan het University College in Londen Duitse literatuurwetenschap, met een voorliefde voor romantische poëzie. Vanwege haar goede kennis van het Duits viel zij op en het duurde niet lang of ze kreeg het verzoek om voor de Britse geheime dienst te komen werken.

Bletchley Park

 Ze ging naar het decodeercentrum Bletchley Park, waar de Government Code and Cypher School (GC&CS) was gevestigd. Bletchley Park was een statig landhuis, maar in alle berichtenverkeer werd de indruk gewekt dat de medewerkers zich op een oorlogsschip bevonden. Dat was de fictieve HMS Pembroke V. Elk gebouw op het terrein van BP, zoals de instelling ook wel werd genoemd, werd aangeduid als een 'hut', om de indruk van een varende entiteit te versterken.

Hut Six

In hut nummer 6 werd keihard gewerkt aan het ontrafelen van de Duitse codes. Het was in deze hut six dat Mavis Batey kwam te werken en met succes, want ze wist cruciale delen van het codemechanisme te ontrafelen. De Duitse codes werden gemaakt met een speciaal versleutelingsapparaat dat de naam Enigma droeg. Voor de oorlog was dit een codemachine voor algemeen gebruik, maar toen het voor militair gebruik werd ingezet was het commercieel niet te krijgen.

Enigma

De Enigma leek op een schrijfmachine die was gekoppeld aan codewielen. Die wielen zorgden ervoor dat een letter die op het toetsenbord werd aangeslagen intern werd omgezet naar een andere letter. Na elke aanslag draaiden de wielen, zodat nooit dezelfde omzetting van letters plaatsvond. De ontvanger van het bericht typte de letters op zijn eigen Enigma, om er weer leesbare tekst van te maken. Mensen die het apparaat niet bezaten konden - zo dachten de Duitsers - de gecodeerde tekst nooit ontrafelen.

Bescheiden

Mavis Batey heeft nooit echt de openbaarheid gezocht, op enkele uitzonderingen na. Zo liet zij in 2009 haar ongenoegen blijken over de houterige manier van acteren van Kate Winslet. Die actrice speelde haar in de Amerikaanse speelfilm Enigma, die in 2001 uitkwam onder regie van Michael Apted. De vertolking van Winslet was 'veel te stijf en nuffig', aldus Batey. Hieronder poseert Mavis Batey met een Enigma.